- Samples date :1-7days,Free with freight collect
- Delivery date :10-15 days
- MOQ :6ft-3000pcs/4ft-5000pcs
- Packing :Export cartons,pallets,Express box,User-Defined
- Shipping :By Sea,By Air,By FedEx
- Payment :Wire transfer
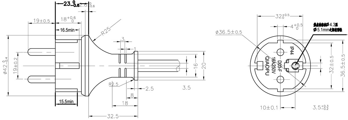
CEE7/7 CEE 7/7 Schuko German 3 Conductor IP44 waterproof plug power cord with VDE certification Rated up to 16A 250V Built to DIN EN 60320-1(VDE 0625-1):2008-05;EN 60320-1:2001+A1:2007 standards and designed for European outdoor power supply cord applications. All of our European AC power cords are fully made with ergonomic design and RoHS / REACH compliant as we are China premier power cable manufacturer.





Europe Power Cords VDE Plug E03-F Drawing (RoHS COMPLIANT)
E03-F/Europe VDE KEMA OVE N S FI D CEBEC/Europe CEE7/7 IP44 Plug (NINGBO NINGYANG)
Europe Power Cords VDE Plug E03-F End Drawing (RoHS COMPLIANT)
E03-F/Europe VDE KEMA OVE N S FI D CEBEC/Europe CEE7/7 IP44 Plug (NINGBO NINGYANG)
- (Model): E03-F
- (Voltage): 250V
- (Amperage): 15A
- (Temperature Rating): 60°C
- (Weight): 20g
- (Color): User-Defined
- (Cable Length): User-Defined
- (Plug Models Desc): Type 2P-E
- (Plug Material): Nickel Coated Brass & PBT
- (Cable Conductor Structure): 3 Poles 3 Wires
- (Cable Insulating Sheath Material): PVC, Rubber, Halogen-Free, Textile braid,TPE,Silic
- (Cable Conductor Material): Oxygen free copper (OFCU)
- (Patent): NYC
- (Country of Origin): Made in China
H05RR-F 3X1.0-2.5MM2
H07RN-F 3X1.0-2.5MM2













